晶振分類
- 晶振系列
- 陶瓷晶振
- 陶瓷濾波器
- 微孔霧化片
- 希華晶體
- 石英晶振
- SMD晶振
- 聲表面諧振器
- NSK晶振
- TXC晶振
- 臺灣加高晶振
- 臺灣鴻星晶振
- 百利通亞陶晶振
- 臺灣泰藝晶振
- AKER晶振
- NKG晶振
- 進口晶振
- KDS晶振
- 精工晶振
- 村田晶振
- 西鐵城晶振
- 愛普生晶振
- 亞陶,嘉碩晶體
- CTS晶體
- 京瓷晶振
- NDK晶振
- 大河晶振
- 瑪居禮晶振
- 富士晶振
- NAKA晶振
- SMI晶振
- NJR晶振
- 移動設備
- 數碼電子
- 通信網絡
- 醫療電子
- 安防GPRS導航
- 汽車電子
- 歐美晶振
- Abracon晶振
- 康納溫菲爾德晶振
- 日蝕晶振
- ECS晶振
- 高利奇晶振
- 格林雷晶振
- IDT晶振
- JAUCH晶振
- Pletronics晶振
- 拉隆晶振
- Statek晶振
- SiTime晶振
- 維管晶振
- 瑞康晶振
- 微晶晶振
- AEK晶振
- AEL晶振
- Cardinal晶振
- Crystek晶振
- Euroquartz晶振
- Fox晶振
- Frequency晶振
- GEYER晶振
- KVG晶振
- ILSI晶振
- Mmdcomp晶振
- MtronPTI晶振
- QANTEK晶振
- QuartzCom晶振
- Quarztechnik晶振
- Suntsu晶振
- Transko晶振
- Wi2Wi晶振
- ACT晶振
- MTI-milliren晶振
- Lihom晶振
- Rubyquartz晶振
- Oscilent晶振
- SHINSUNG晶振
- ITTI晶振
- PDI晶振
- IQD晶振
- Microchip晶振
- Silicon晶振
- Anderson晶振
- Fortiming晶振
- CORE晶振
- NIPPON晶振
- NIC晶振
- QVS晶振
- Bomar晶振
- Bliley晶振
- GED晶振
- FILTRONETICS晶振
- STD晶振
- Q-Tech晶振
- Wenzel晶振
- NEL晶振
- EM晶振
- PETERMANN晶振
- FCD-Tech晶振
- HEC晶振
- FMI晶振
- Macrobizes晶振
- AXTAL晶振
- Sunny晶振
- ARGO晶振
- 石英晶體振蕩器
- 有源晶振
- 溫補晶振
- 壓控晶振
- 壓控溫補晶振
- 恒溫晶振
- 差分晶振
常見問題
更多>>
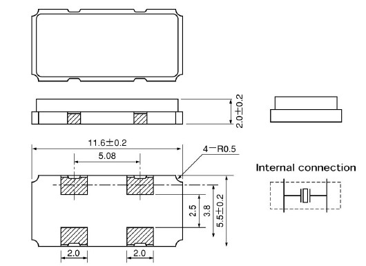
石英晶體CS20,西鐵城MPS晶振,無鉛環保晶振,小型,薄型,輕型的表面貼片音叉型晶體諧振器,具有優良的耐熱性,耐環境特性,可發揮優良的電氣特性,符合RoHS規定,滿足無鉛焊接的回流溫度曲線要求.貼片晶振本身體積小,超薄型石英晶體諧振器,特別適用于有目前高速發展的高端電子數碼產品,因為"CS20-12.000MABJ-UT"晶振本身小型化需求的市場領域.
.jpg)
項目 | 符號 | CS20 | 條件 |
標準頻率 | fo | 3.5Mhz ~ 30.0Mhz | 需要聯系我們的可用頻率 |
頻率公差 | △f/fo | ±30ppm | at 25℃ |
頻率容差 | △f/fo | ±50ppm | -10℃ ~ +60℃ |
工作溫度 | TOPR | -40℃ ~ +85℃ | |
儲存溫度 | TSTR | -55℃ ~ +125℃ | |
串聯電阻 | R1 | 詳情見下表 | at 25℃ |
負載電容 | CL | 18.0pF | 可指定 |
串聯電容 | C0 | 7.0pF Max | |
激勵功率 | DL | 100μW Max | |
絕緣電阻 | lR | 500mΩ Max | DC100V ± 15V |
頻率老化 | △f/fo | ±5ppm Max | 25℃ ± 3℃,第一年 |
頻率 | 3.5Mhz ≤fo <4.0Mhz | 4.0Mhz ≤fo < 6.0Mhz | 6.0Mhz ≤fo <10Mhz | 10Mhz ≤fo <14Mhz | 14Mhz ≤fo ≤30Mhz |
串聯電阻 | 200Ω Max | 150Ω Max | 100Ω Max | 80Ω Max | 50Ω Max |
.jpg)
