常見問題
更多>>
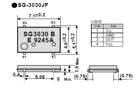
筆記本晶振SG-3030JF,愛普生普通有源振蕩器,貼片晶振,接縫密封石英晶體振蕩器,精度高,覆蓋頻率范圍寬的特點,SMD高速自動安裝和高溫回流焊設計,Optionable待機輸出三態輸出功能,電源電壓范圍:1.8V?5 V,高穩定性,低抖動,低功耗,小型SMD石英晶體振蕩器,低電壓啟動功率,高穩定性能,接縫密封晶體振蕩器,精度高,覆蓋頻率范圍寬.產品廣泛應用于平板筆記本,GPS系統,光纖通道,千兆以太網,WLAN網絡產品等.符合RoHS/無鉛.
.jpg)
| 項目 | 符號 | 規格說明 | 條件 | |
|---|---|---|---|---|
| SG-3030LC/JF/JC | SG-3040LC/JC | |||
| 輸出頻率范圍 | f0 | 32.768kHz | ||
| 電源電壓 | Vcc | 1.5V to 5.5V | 0.9V to 3.6V | |
| 接口電源電壓 | Vio | 1.5V to 5.5V | 0.9V to 3.6V | |
| 儲存溫度 | T_stg | -55°C to +125°C | 裸存 | |
| 工作溫度 | T_use | -40°C to +85°C | ||
| 頻率穩定度 | f_tol | 5±23×10-6 |
+25 °C,Vcc=3.3V (SG-3040:Vcc=1.2V) |
|
| 頻率電壓特征 | fo-Vcc | 2×10-8/V Max | 5×10-8/V Max | +25°C |
| 功耗 | lcc | 2μA Max. | 3.1μA Max. | 3.3V,無負載條件 |
| 輸出負載條件(CMOS) | L_CMOS | 15pF Max. | CMOS 負載 | |
| 頻率老化 | f_aging | ±5 ×10-6 / 年 Max |
+25°C,第一年 Vcc=3.3V |
|
.jpg)



愛普生一直為了個以前從未設想過的創造價值,追求技術創新.創建了世界上第一個緊湊、輕便數碼打印機,世界上第一個石英表,和世界上第一個照片質量噴墨打印機的繼任者是今天的愛普生的基石.后又生產壓電石英晶振,這些產品背后的技術開發之前就不存在.些產品是由愛普生從頭開發工程師渴望向世界帶來一定的價值或創建產品,將有利于人民的生活方式.多年來,這種方法已經成為深深植根于愛普生的DNA.
.jpg)
當把石英共振子與振蕩線路或集成電路(IC)一起整合在一個封裝內, 由外部提供電源電壓, 形成一個主動組件輸出頻率信號, 就是所謂的石英晶體振蕩器. 石英晶體振蕩器可以藉由單一封裝組件內部不同的振蕩線路及輸出線路, 提供不同特性需求的參考頻率. 例如有 石英頻率振蕩器SPXO 或稱為 CXO, 可程序化石英晶體振蕩器PCXO, 電壓控制石英晶體振蕩器VCXO , 溫度補償石英晶體振蕩器TCXO ( Temperature Compensated Crystal Oscillator ) 及 恒溫槽控制石英晶體振蕩器OCXO.

作為一個制造商,愛普生旨在繼續不可或缺的公司為客戶和社會提供產品和服務,其價值超過了預期.通過不間斷的創新和提供無與倫比的獨特價值,更多的人在更廣泛的市場,我們打算保持公司不可或缺的同時履行我們的社會責任.
.jpg)
QQ:769468702
手機:13590198504
郵箱:zhaoxiandz@163.com
網站:http://www.jngps.cn/
地址:深圳市南山南頭關口8棟









