常見問題
更多>>
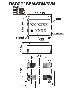
大真空DSO321SBM晶振,貼片晶振,外圍設備晶振,小型SMD接縫密封石英晶體振蕩器,小尺寸3225mm,低消耗電流(5V類型),帶三態功能,5V通用類型振蕩器,精度高,覆蓋頻率范圍寬的特點,自動安裝和回流焊設計,Optionable待機輸出三態輸出功能,電源電壓范圍:1.8V~5 V,高穩定性,低抖動,低功耗,主要應用領域:無線通訊,手機,筆記本PC和LCDM.
.jpg)

.jpg)

.jpg)
石英材料中的二氧化硅分子(SiO2) 在正常狀態下, 其電偶極是互相平衡的電中性. 在(圖二左)的二氧化硅是以二維空間的簡化圖形. 當我們在硅原子上方及氧原子下方分別給予正電場及負電場時, 空間系統為了維持電位平衡, 兩個氧原子會相互排斥, 在氧原子下方形成一個感應正電場區域, 同時在硅原子上方產生感應負電場區域. 相反的情況, 當我們在硅原子上方及氧原子下方分別給予負電場及正電場時, 兩個氧原子會相互靠近, 氧原子下方產生感應負電場,硅原子上方產生感應正電場. 

Daishiku靈活地應對不斷變化的社會需求,以市場為導向的方法的核心.我們的專家人員積極參與開發新產品,滿足市場的需求,根據他們的深刻洞察消費者的需求.我們正在開發的產品與《紐約時報》及時,從較小的移動終端到下一代智能電網所代表的工業基礎設施.我們將繼續致力于從事研究和開發高質量的石英裝置.

DAISHINKU組有助于創建一個通過環境保護活動逐步發展中社會與環境的和諧.遵守法律和監管要求,DAISHINKU觀察法規和監管要求,從事環保產品的開發.在所有領域的業務活動,從開發,生產和銷售水晶的應用產品,Daishinku集團業務策略促進普遍信任的環境管理活動.
電話:0755--27876236
QQ:769468702
手機:13590198504
郵箱:zhaoxiandz@163.com
網站:http://www.jngps.cn/
地址:深圳市南山南頭關口8棟
.jpg)
QQ:769468702
手機:13590198504
郵箱:zhaoxiandz@163.com
網站:http://www.jngps.cn/
地址:深圳市南山南頭關口8棟









