晶振分類
- 晶振系列
- 陶瓷晶振
- 陶瓷濾波器
- 微孔霧化片
- 希華晶體
- 石英晶振
- SMD晶振
- 聲表面諧振器
- NSK晶振
- TXC晶振
- 臺灣加高晶振
- 臺灣鴻星晶振
- 百利通亞陶晶振
- 臺灣泰藝晶振
- AKER晶振
- NKG晶振
- 進口晶振
- KDS晶振
- 精工晶振
- 村田晶振
- 西鐵城晶振
- 愛普生晶振
- 亞陶,嘉碩晶體
- CTS晶體
- 京瓷晶振
- NDK晶振
- 大河晶振
- 瑪居禮晶振
- 富士晶振
- NAKA晶振
- SMI晶振
- NJR晶振
- 移動設備
- 數碼電子
- 通信網絡
- 醫療電子
- 安防GPRS導航
- 汽車電子
- 歐美晶振
- Abracon晶振
- 康納溫菲爾德晶振
- 日蝕晶振
- ECS晶振
- 高利奇晶振
- 格林雷晶振
- IDT晶振
- JAUCH晶振
- Pletronics晶振
- 拉隆晶振
- Statek晶振
- SiTime晶振
- 維管晶振
- 瑞康晶振
- 微晶晶振
- AEK晶振
- AEL晶振
- Cardinal晶振
- Crystek晶振
- Euroquartz晶振
- Fox晶振
- Frequency晶振
- GEYER晶振
- KVG晶振
- ILSI晶振
- Mmdcomp晶振
- MtronPTI晶振
- QANTEK晶振
- QuartzCom晶振
- Quarztechnik晶振
- Suntsu晶振
- Transko晶振
- Wi2Wi晶振
- ACT晶振
- MTI-milliren晶振
- Lihom晶振
- Rubyquartz晶振
- Oscilent晶振
- SHINSUNG晶振
- ITTI晶振
- PDI晶振
- IQD晶振
- Microchip晶振
- Silicon晶振
- Anderson晶振
- Fortiming晶振
- CORE晶振
- NIPPON晶振
- NIC晶振
- QVS晶振
- Bomar晶振
- Bliley晶振
- GED晶振
- FILTRONETICS晶振
- STD晶振
- Q-Tech晶振
- Wenzel晶振
- NEL晶振
- EM晶振
- PETERMANN晶振
- FCD-Tech晶振
- HEC晶振
- FMI晶振
- Macrobizes晶振
- AXTAL晶振
- Sunny晶振
- ARGO晶振
- 石英晶體振蕩器
- 有源晶振
- 溫補晶振
- 壓控晶振
- 壓控溫補晶振
- 恒溫晶振
- 差分晶振
常見問題
更多>>
ConnorWinfield晶振公司是私營,基于我們的電子產品制造商.1963年合并后,Connor-Winfield主要集中在設計和制造石英計時電路和振蕩器用于各種電子產品的應用.在1990年代,Connor-Winfield擴展到其他產品領域,同時保持持續關注其核心時機的根源.
康納晶振公司的頻率控制產品被用于各種各樣的應用程序包括電信、局域網和廣域網的產品,電腦,和其他微處理器和電子設備.我們專門設計定制和semi-custom頻率控制產品,還提供了一個廣泛的標準基于石英晶體振蕩器產品和非晶體的振蕩器.

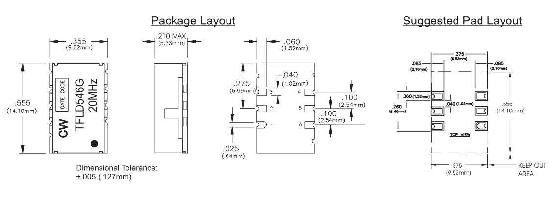
康納溫菲爾德晶振,貼片晶振,TFLD546晶振,小型SMD有源晶振,從最初超大體積到現在的7050mm,6035mm,5032mm,3225mm,2520mm體積,有著翻天覆地的改變,體積的變小也試產品帶來了更高的穩定性能,接縫密封石英晶體振蕩器,精度高,覆蓋頻率范圍寬的特點,SMD高速自動安裝和高溫回流焊設計,Optionable待機輸出三態輸出功能,電源電壓范圍:1.8V?5 V,高穩定性,低抖動,低功耗,主要應用領域:無線通訊,高端智能手機,平板筆記本WLAN,藍牙,數碼相機,DSL和其他IT產品的晶振應用,三態功能,PC和LCDM等高端數碼領域,符合RoHS/無鉛.
| 晶振 | TFLD546晶振 |
| 頻率范圍 | 12.8~155.52MHZ |
| 工作溫度 | - 0 ~ + 70 ℃ |
| 保存溫度 | - 40 ~ + 85 ℃ |
| 電源電壓 | 3.3V |
| 輸出負載 | 15pF |
| 頻率容差 | ± 4.6 ppm |
| 頻率校準@ 25°C | ± 1.5 ppm |
| 老化率 | ±3 ppm /year. |
| 電壓卷(最大值)/ VOH(最小值) | 0.1 VDD / 0.9 VDD |
| 啟動時間 | 5 ms Max. |
| 輸出類型 | CMOS |



SMD產品
SMD晶體產品支持自動貼裝,但還是請預先基于所使用的搭載機實施搭載測試,確認其對特性沒有影響. 在切斷工序等會導致基板發生翹曲的工序中,請注意避免翹曲影響到產品的特性以及軟焊. 基于超聲波焊接的貼裝以及加工會使得貼片晶體產品(諧振器、振蕩器、濾波器)內部傳播過大的振動,有可能導致特性老化以及引起不振蕩,因此不推薦使用.TFLD546晶振,歐美進口有源晶振,貼片型溫補晶振
晶體諧振器
如果過大的激勵電力對石英晶體諧振器外加電壓,有可能導致特性老化或損壞,因此請在宣傳冊、規格書中規定的范圍內使用.讓無源晶振振蕩的電路寬裕度大致為負性阻抗值.本公司推薦此負性阻抗為諧振器串聯電阻規格值的5倍以上,若是車載和安全設備,則推薦10倍以上.康納溫菲爾德晶振,貼片晶振,TFLD546晶振
晶體振蕩器
晶體振蕩器的內部電路使用C-MOS.閉鎖、靜電對策請和一般的C-MOS IC一樣考慮.有些石英晶體振蕩器沒有和旁路電容器進行內部連接.使用時,請在Vdd-GND之間用0.01μF左右的高頻特性較好的電容器(陶瓷片狀電容器等)以 最短距離連接.關于個別機型請確認宣傳冊、規格書.

CONNOR-WINFIELD晶振公司集團作為“地球內企業”,在保護地球環境方面發揮著領導作用.我們尊重歷史、文化和傳統的多樣性,并致力于“CSR經營”和“環境經營”.為取得社會的信任,為推動環境負荷最小化,CONNOR-WINFIELD晶振集團還開展了各種各樣的活動.將持續的環境、健康和安全方面的改進、低電源電壓型晶振污染預防和員工的努力納入日常運行當中.TFLD546晶振,歐美進口有源晶振,貼片型溫補晶振
CONNOR-WINFIELD晶振集團在“制造、使用、有效利用、再利用”這樣一個20.00MHz晶振產品生命周期中,努力創造豐富的價值,給社會帶來溫馨和安寧,感動和驚喜,同時為減少環境影響,努力做好“防止地球變暖、有效利用資源、對化學物質進行管理”,實現與地球的和諧相處.加強污染防治,減少現有的污染廢棄物以及在未來生產制造中所產生的污染.康納溫菲爾德晶振,貼片晶振,TFLD546晶振
CONNOR-WINFIELD晶振集團運用ISO14001環境管理系統進行環境管理,盡最大可能減小高頻有源晶體業務活動對環境造成的負擔,并通過業務發展推進環境改善.與我們的員工一起開創并保持一個免于事故的工作場所.重視污染預防,消除偏離程序的行為強調通過員工努力這一最可行的方法持續改進我們經營活動的環境績效.

深圳市兆現電子有限公司
聯系人:龔成
電話:0755--27876236聯系人:龔成
QQ:769468702
手機:13590198504
郵箱:zhaoxiandz@163.com
網站:http://www.jngps.cn/









