晶振分類
- 晶振系列
- 陶瓷晶振
- 陶瓷濾波器
- 微孔霧化片
- 希華晶體
- 石英晶振
- SMD晶振
- 聲表面諧振器
- NSK晶振
- TXC晶振
- 臺灣加高晶振
- 臺灣鴻星晶振
- 百利通亞陶晶振
- 臺灣泰藝晶振
- AKER晶振
- NKG晶振
- 進口晶振
- KDS晶振
- 精工晶振
- 村田晶振
- 西鐵城晶振
- 愛普生晶振
- 亞陶,嘉碩晶體
- CTS晶體
- 京瓷晶振
- NDK晶振
- 大河晶振
- 瑪居禮晶振
- 富士晶振
- NAKA晶振
- SMI晶振
- NJR晶振
- 移動設備
- 數碼電子
- 通信網絡
- 醫療電子
- 安防GPRS導航
- 汽車電子
- 歐美晶振
- Abracon晶振
- 康納溫菲爾德晶振
- 日蝕晶振
- ECS晶振
- 高利奇晶振
- 格林雷晶振
- IDT晶振
- JAUCH晶振
- Pletronics晶振
- 拉隆晶振
- Statek晶振
- SiTime晶振
- 維管晶振
- 瑞康晶振
- 微晶晶振
- AEK晶振
- AEL晶振
- Cardinal晶振
- Crystek晶振
- Euroquartz晶振
- Fox晶振
- Frequency晶振
- GEYER晶振
- KVG晶振
- ILSI晶振
- Mmdcomp晶振
- MtronPTI晶振
- QANTEK晶振
- QuartzCom晶振
- Quarztechnik晶振
- Suntsu晶振
- Transko晶振
- Wi2Wi晶振
- ACT晶振
- MTI-milliren晶振
- Lihom晶振
- Rubyquartz晶振
- Oscilent晶振
- SHINSUNG晶振
- ITTI晶振
- PDI晶振
- IQD晶振
- Microchip晶振
- Silicon晶振
- Anderson晶振
- Fortiming晶振
- CORE晶振
- NIPPON晶振
- NIC晶振
- QVS晶振
- Bomar晶振
- Bliley晶振
- GED晶振
- FILTRONETICS晶振
- STD晶振
- Q-Tech晶振
- Wenzel晶振
- NEL晶振
- EM晶振
- PETERMANN晶振
- FCD-Tech晶振
- HEC晶振
- FMI晶振
- Macrobizes晶振
- AXTAL晶振
- Sunny晶振
- ARGO晶振
- 石英晶體振蕩器
- 有源晶振
- 溫補晶振
- 壓控晶振
- 壓控溫補晶振
- 恒溫晶振
- 差分晶振
常見問題
更多>>
Jauch晶振以獨特的深度技術咨詢、高應用和認證專業知識、先進的測試環境、高可用性和快速交付的產品和全球最大的石英晶振頻率生成設備倉庫來強調我們的領導能力.我們已投資于位于villingen - schwenningen總部的生產設施,以及時滿足世界各地的客戶需求:MEMS振蕩器在我們自己的生產設施中配置并交付,關注時效性.
自然保護和環境保護對公司非常重要.只有在一個穩定的環境下,我們才能在長期內繼續開展石英晶體生產的業務活動.遵守國家標準和規定.以獨特的深度技術咨詢、高應用和認證專業知識、先進的測試環境、高可用性和快速交付的有源晶振產品和全球最大的石英晶振頻率生成設備倉庫來強調我們的領導能力.我們已投資于位于villingen - schwenningen總部的生產設施,以及時滿足世界各地的客戶需求.

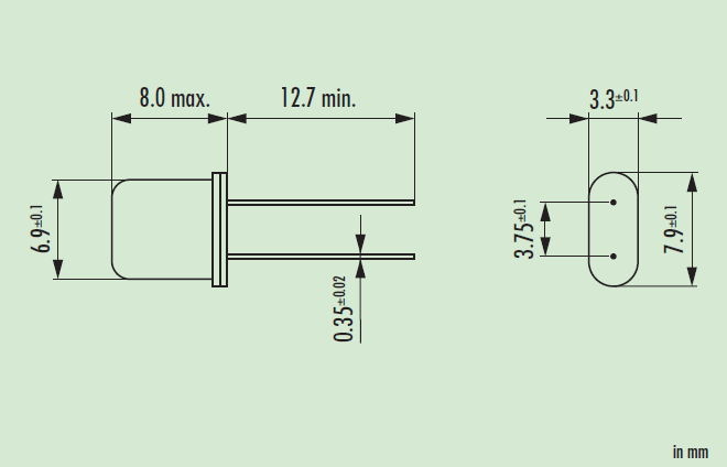
JAUCH晶振,石英晶振,MQ1晶振,插件石英晶振最適合用于比較低端的電子產品,比如兒童玩具,普通家用電器,即使在汽車電子領域中也能使產品高可靠性的使用.并且可用于安全控制裝置的CPU時鐘信號發生源部分,好比時鐘單片機上的石英晶振,在極端嚴酷的環境條件下,晶振也能正常工作,具有穩定的起振特性,高耐熱性,耐熱循環性和耐振性等的高可靠性能,
|



自動安裝時的沖擊
自動安裝和真空化引發的沖擊會破壞產品特性并影響這些進口晶體振蕩器.請設置安裝條件以盡可能將沖擊降至最低,并確保在安裝前未對產品特性產生影響.條件改變時,請重新檢查安裝條件.同時,在安裝前后,請確保石英晶振未撞擊機器或其他電路板等.MQ1晶振,高頻石英晶振,無源49U插件晶振
超聲波清洗
(1)使用AT-切割晶體和表面聲波9SAW)諧振器/聲表面濾波器的產品,可以通過超聲波進行清洗.但是,在某些條件下, 晶體特性可能會受到影響,而且內部線路可能受到損壞.確保已事先檢查系統的適用性.
(2)使用音叉晶體和陀螺儀傳感器的產品無法確保能夠通過超聲波方法進行清洗,因為晶體可能受到破壞.JAUCH晶振,石英晶振,MQ1晶振
(3)請勿清洗開啟式產品
(4)對于可清洗產品,應避免使用可能對石英水晶諧振器產生負面影響的清洗劑或溶劑等.
(5)焊料助焊劑的殘留會吸收水分并凝固.這會引起諸如位移等其它現象.這將會負面影響晶振的可靠性和質量.請清理殘余的助焊劑并烘干PCB.
使用環境(溫度和濕度)
請在規定的溫度范圍內使用耐高溫晶振.這個溫度涉及本體的和季節變化的溫度.在高濕環境下,會由于凝露引起故障.請避免凝露的產生.

JAUCH晶振工廠、辦公室節能、省資源、資源循環、化學物質的合理管理推動,地球溫暖化防止及循環型社會的實現貢獻.與采購單位、供應商等的客戶合作,溫室效應氣體削減,資源的有效利用,努力對晶振,49U插件晶振,石英晶振的化學物質的管理強化等.按照這個環境方針,設定環境目的和目標,確實是落實,對其進行重新評估,努力持續改善.JAUCH晶振,石英晶振,MQ1晶振
JAUCH晶振公司事業廢棄物產出量逐年降低,可回收、再利用之廢棄物比例逐年提高,U型石英晶振生產廢棄物各項排放檢測數據符合政府法規要求.于2004年通過SONY 綠色伙伴(Green Partner)驗證.地域社會環境保全活動及生物多樣性保全活動的參加,環境搭配等的信息積極的公開的事,與社會的交流的知識進一步加深協調進一步的協調.這個環境方針是根據文件等的全體職員以及共同工作的人們.MQ1晶振,高頻石英晶振,無源49U插件晶振
JAUCH晶振勞工職業安全衛生議題近年成為世界各國及企業關注焦如何做到‘降低職業災害發生、確保工作場所安全、實施員工健康管理’一直是JAUCH晶體努力的方向,并由原材料管控禁用或限用環境危害物質與國際大廠對于綠色生產及綠色扁殼型二腳插件晶振產品的要求相符,公司于2008年12月通過OHSAS18001職業安全衛生管理系統驗證,提供勞工符合系統要求的安全衛生工作環境.

深圳市兆現電子有限公司
聯系人:龔成
電話:0755--27876236聯系人:龔成
QQ:769468702
手機:13590198504
郵箱:zhaoxiandz@163.com
網站:http://www.jngps.cn/









