晶振分類
- 晶振系列
- 陶瓷晶振
- 陶瓷濾波器
- 微孔霧化片
- 希華晶體
- 石英晶振
- SMD晶振
- 聲表面諧振器
- NSK晶振
- TXC晶振
- 臺灣加高晶振
- 臺灣鴻星晶振
- 百利通亞陶晶振
- 臺灣泰藝晶振
- AKER晶振
- NKG晶振
- 進口晶振
- KDS晶振
- 精工晶振
- 村田晶振
- 西鐵城晶振
- 愛普生晶振
- 亞陶,嘉碩晶體
- CTS晶體
- 京瓷晶振
- NDK晶振
- 大河晶振
- 瑪居禮晶振
- 富士晶振
- NAKA晶振
- SMI晶振
- NJR晶振
- 移動設備
- 數碼電子
- 通信網絡
- 醫療電子
- 安防GPRS導航
- 汽車電子
- 歐美晶振
- Abracon晶振
- 康納溫菲爾德晶振
- 日蝕晶振
- ECS晶振
- 高利奇晶振
- 格林雷晶振
- IDT晶振
- JAUCH晶振
- Pletronics晶振
- 拉隆晶振
- Statek晶振
- SiTime晶振
- 維管晶振
- 瑞康晶振
- 微晶晶振
- AEK晶振
- AEL晶振
- Cardinal晶振
- Crystek晶振
- Euroquartz晶振
- Fox晶振
- Frequency晶振
- GEYER晶振
- KVG晶振
- ILSI晶振
- Mmdcomp晶振
- MtronPTI晶振
- QANTEK晶振
- QuartzCom晶振
- Quarztechnik晶振
- Suntsu晶振
- Transko晶振
- Wi2Wi晶振
- ACT晶振
- MTI-milliren晶振
- Lihom晶振
- Rubyquartz晶振
- Oscilent晶振
- SHINSUNG晶振
- ITTI晶振
- PDI晶振
- IQD晶振
- Microchip晶振
- Silicon晶振
- Anderson晶振
- Fortiming晶振
- CORE晶振
- NIPPON晶振
- NIC晶振
- QVS晶振
- Bomar晶振
- Bliley晶振
- GED晶振
- FILTRONETICS晶振
- STD晶振
- Q-Tech晶振
- Wenzel晶振
- NEL晶振
- EM晶振
- PETERMANN晶振
- FCD-Tech晶振
- HEC晶振
- FMI晶振
- Macrobizes晶振
- AXTAL晶振
- Sunny晶振
- ARGO晶振
- 石英晶體振蕩器
- 有源晶振
- 溫補晶振
- 壓控晶振
- 壓控溫補晶振
- 恒溫晶振
- 差分晶振
常見問題
更多>>
Raltron晶振公司正在其邁阿密,佛羅里達州開發和制造精密振蕩器.設施,而簡單的水晶諧振器,時鐘石英晶體振蕩器和濾波器以及天線.從客戶產品開發過程的第一步深入技術支持在整個客戶的產品生命周期中繼續保持兩個應用工程團隊總部設在邁阿密, 和中國深圳. 這兩個地點也都有故障分析實驗室配備現代化的測試設備,使公司能夠實時響應客戶的需求,募捐.還通過提供追求快速增長的物聯網和機器到機器市場完整的無源器件封裝,包括晶體,TCXO,SAW濾波器,LTCC濾波器和巴倫以及相應IC解決方案.
Raltron晶振產品具有精確的頻率容穩定性好,頻率范圍寬,封裝更小,相位噪聲低,抖動小等優點,最重要的是,他們以非常有競爭力的成本滿足或超越客戶的規格..Raltron晶振自豪地為消費電子市場提供晶體,調諧叉,時鐘振蕩器,鋸設備,陶瓷諧振器,LTCC RF陶瓷產品和天線. 該產品旨在滿足消費者應用的關鍵要求,如電池操作相關的低尺寸,小尺寸和低功耗.

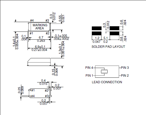
拉隆晶振,石英晶振,H14晶振,貼片表晶32.768K系列具有超小型,薄型,質地輕的表面貼片音叉型石英晶體諧振器,晶振產品本身具備優良的耐熱性,耐環境特性,在辦公自動化,家電領域,移動通信領域可發揮優良的電氣特性,符合無鉛標準,滿足無鉛焊接的回流溫度曲線要求,金屬外殼的石英晶振使得產品在封裝時能發揮比陶瓷晶振外殼更好的耐沖擊性能.
|



晶體單元/諧振器
激勵功率
在晶體單元上施加過多驅動力,會導致石英晶振特性受到損害或破壞.電路設計必須能夠維持適當的激勵功率 (請參閱“激勵功率”章節內容).
負極電阻
除非振蕩回路中分配足夠多的負極電阻,否則振蕩或振蕩啟動時間可能會增加(請參閱“關于振蕩”章節內容).H14晶振,32.768K陶瓷封裝晶振,小體積貼片晶振。
熱影響
重復的溫度巨大變化可能會降低受損害的有源晶振的產品特性,并導致塑料封裝里的線路擊穿.必須避免這種情況.拉隆晶振,石英晶振,H14晶振.
安裝方向
進口晶體振蕩器的不正確安裝會導致故障以及崩潰,因此安裝時,請檢查安裝方向是否正確.
撞擊
雖然石英晶體諧振器產品在設計階段已經考慮到其耐撞擊性,但如果掉到地板上或者受到過度的撞擊,以防萬一還是要檢查特性后再使用.

RALTRON晶振集團運用ISO14001環境管理系統進行環境管理,盡最大可能減小無源晶振產品業務活動對環境造成的負擔,并通過業務發展推進環境改善. RALTRON晶振集團建立一種可測量的發展和改進的目標指標,定期進行內審和管理評審.在現有的或新生的各種活動中不斷監測和改進環境績效.通過正式的管理評審和對健康、安全和環境實施效果的持續改進,保護人群及財產與環境.拉隆晶振,石英晶振,H14晶振.
確保他們能夠安全高效的工作,樹立他們的環保責任感. 與雇員、客戶、公眾、政府及關注公司環境績效和持續改進計劃的相關方進行充分開放的信息交流.與我們的員工一起開創并保持一個免于事故的產品生產工作場所.將持續的環境、健康和安全方面的改進、污染預防和員工的努力納入日常運行當中.加強32.768K陶瓷封裝晶振產品污染防治,減少現有的產品污染廢棄物以及在未來生產制造中所產生的污染.H14晶振,32.768K陶瓷封裝晶振,小體積貼片晶振。
提高保護預防措施、32.768K貼片晶振產品的可靠性以及職業安全,確保職業健康與環境的優越性,通過正式的管理評審和對健康、安全和環境實施效果的持續改進,保護人群及財產與環境.將生產活動中的環境因素和環境影響的分析納入我們的決策中來,確保活動中每一分子的運作和發展都體現對污染預防方針的貫徹.

深圳市兆現電子有限公司
聯系人:龔成
電話:0755--27876236聯系人:龔成
QQ:769468702
手機:13590198504
郵箱:zhaoxiandz@163.com
網站:http://www.jngps.cn/









